
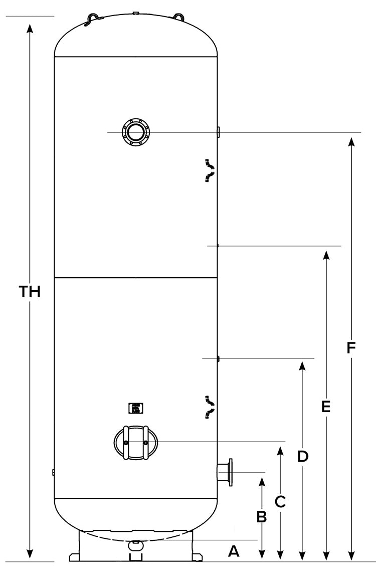
| A | 8 |
|---|---|
| ASME Certified | Yes |
| B | 32 |
| C | 48 |
| D | 64 |
| DIA | 48 |
| Drain Valve Port | 1" NPT |
| E | 96 |
| F | 128 |
| Gal | 1060 |
| TH | 152 |


Consistent Quality
Ultra-durable base ring support is included in all models

Exceptional Reliability
These ASME certified tanks increase reliability, saves time, and decrease maintenance costs

Maximized Sustainability
Tanks are fabricated in high strength carbon steel that is coated with corrosion resistant primer (exterior enamel paint is optional)

Inspection Port
The large access port makes maintenance and inspection tasks simple. Featured on the 660-3000 gallon receiver tanks.

ANSI Flange Connection
Large flange connections provide increased flow capabilities. Featured on the 660-3000 gallon receiver tanks.

Lifting Lug
Sturdy lifting lugs on large vertical tanks allows for safe transportation and installation. Featured on the 660-3000 gallon receiver tanks.

Mounting Base Ring
All receiver tanks include base ring with mounting holes for secure installation

Drain Valve
Excess water that may collectin the receiver tank can automatically be drained with an electronic timer* or a zero loss drain valve*

I have not received any compensation for writing any of my product reviews.
If a review is written based on compensation, I will include a disclaimer stating so as required by law.
Top sellers in category

Ask Our Expert
We are here to serve your compressed air system needs 24/7/365. Call or click today!
Contact Us








